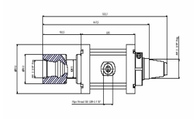
Вертлюги промывочные
Производятся два типа промывочных вертлюгов, отличающихся способом монтажа на имеющийся вращатель буровой установки.
- вертлюг промывочный типа Stenberg, помещенный над вращателем,
![]() |
- непрерывный промывочный ветлюг, помещенный под вращателем, фото отсутствует.
![]() |
Оба типа вертлюгов оснащены сменными скользящими подшипниками и рассчитаны на давление 250 бар.





Главная









+420 774 292 308
info@vrtaci-technika.cz 